|  |  | 

| 
 
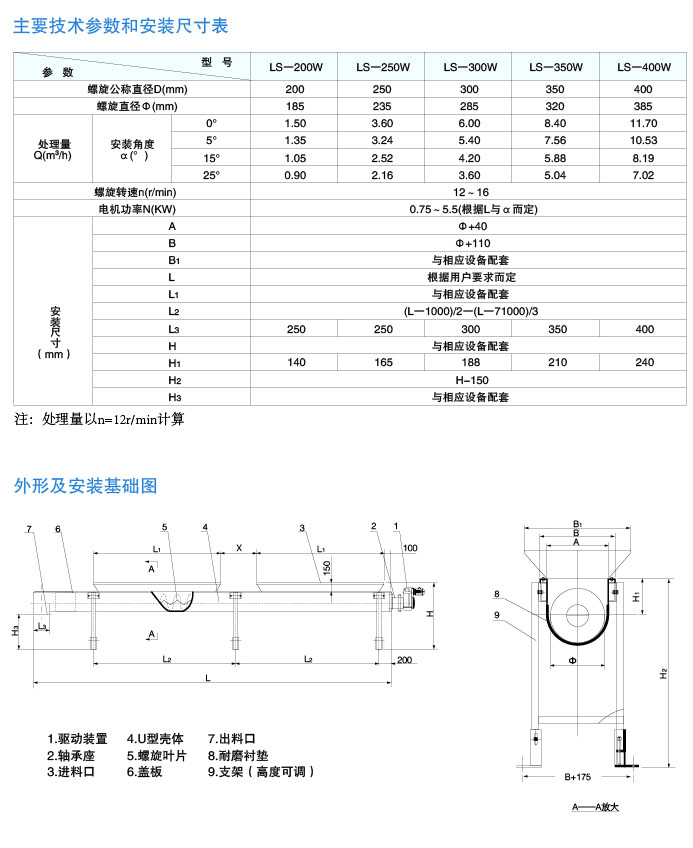
 發布日期:2018-12-13 11:11:43 所屬分類:螺旋輸送機 訪問統計:6081 LS-W型無軸螺旋輸送機專業廠家【10年品牌】_LS-W型無軸螺旋輸送機價格【免費出設計圖】-長興民松環保機械廠	     LS—W型無軸螺旋輸送機適用于城鎮污水處理廠、住宅小區污水預處理裝置、市政雨/污水泵站及自來水廠等的柵渣處理,它主要與格柵或脫水機等設備配套使用,將柵渣或脫水污泥進行輸送。     結構及工作原理     該設備采用無軸螺旋式,當物料從輸送機的進料斗進入,依靠無軸螺旋葉片的旋轉將物料推移滑行,沿u型輸送槽送至出料口,并與壓榨機或垃圾小車配套,將物料進行下一步處理。 
     LS-W型無軸螺旋輸送機主要特點     1、驅動裝置采用軸裝式平行軸斜齒輪式減速機,結構緊湊,運行平穩安全。     型號說明      
 長興民松環保機械廠是一家有著數10年LS-W型無軸螺旋輸送機生產經驗的專業廠家,可以根據客戶環境需求為客戶免費出設計圖,想了解LS-W型無軸螺旋輸送機價格,歡迎咨詢民松廠家,服務熱線:13515726818 上一個:SFL型無軸螺旋輸送機 下一個:SL型無軸螺旋輸送機 | 
